Série DEFRO HOME INTRA byla vytvořena s cílem harmonie mezi ekologií, designem a ekonomikou. Krbové vložky ze série DEFRO HOME INTRA budou ideální pro rekreační funkci a úspěšně zahřejí celý dům. Moderní design a vzduchotěsná ohniště vám umožní využívat jeho možností v pasivních domech a s rekuperací. Patentovaná řešení zaručují úsporu energie a bezproblémový provoz zařízení.
Detailní popis produktu
Kompletní informace
- mělčí zástavbová hloubka
- je určena pro konvekční provoz
- určena i pro nízkoenergetické stavby
- centrální přívod vzduchu – speciální box umožní připojení hadice přívodního vzduchu k vložce s možností napojení ze strany
- propracovaný systém oplachu skla
- Multiflow – patentované řešení dodávání vzduchu pro spalování
- Black Line – sklo s černým potiskem
- topeniště z masivního akumulačního materiálu vyztužené speciálními ocelovými drátky
- studená rukojeť - vyrobena z nerezové oceli nejvyšší kvality, speciální perforace rukojeti umožňuje její přirozené ochlazování
- splňuje normy BlmSchV Stufe 2 a předpoklady programu Ekodesign
- stavitelné nožky - rozsah nastavitelných nožiček od 0 do 100 mm
- systém trubkových průduchů - průduchy navyšují efektivitu krbové vložky
Technické informace
Jmenovitý výkon 8 kW
Rozsah výkonu 3,2 - 9,6 kW
Třída energetické efektivnosti A
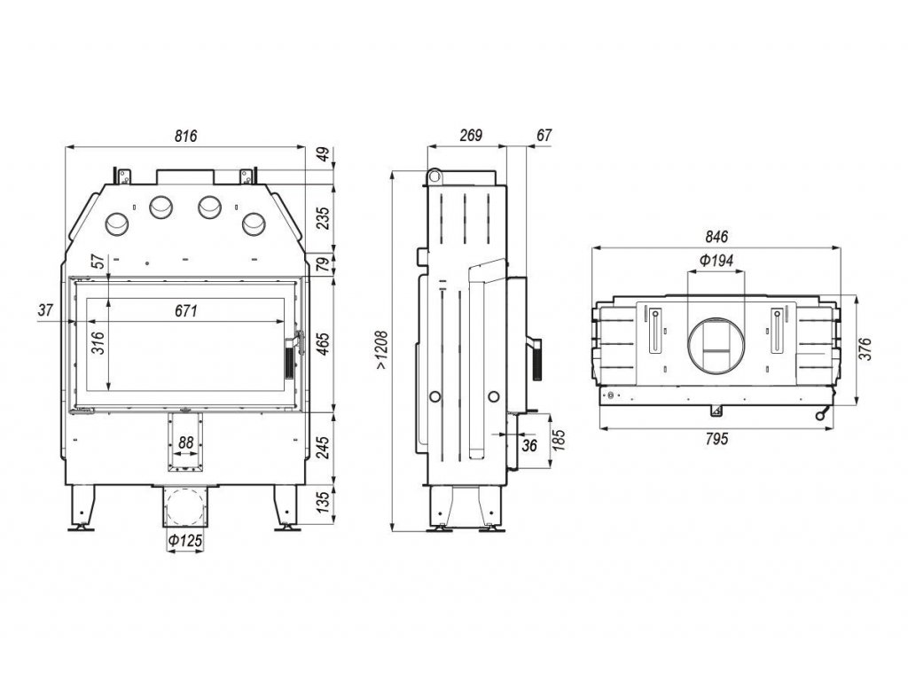
Průměr sopouchu 200 mm
účinnost 80,1 %
CO emise - 13% O2 0,08 %
teplota spalin 266°C
komínový tah 12±2 Pa
Maximální délka polen 700 mm
Průměr přívodu vzduchu 125 mm
Minimální plocha vstupu vzduchu 400 cm²
Minimální plocha výstupu vzduchu 560 cm²
záruka 5 let
Hmotnost ~240 kg
Doplňkové parametry
| Kategorie: | Krbové vložky DEFRO |
|---|---|
| Záruka: | 5 let |
| Délka polena: | 700 mm |
| Hmotnost: | 181 kg |
| Jmenovitý výkon (kW): | 8 |
| Otevírání dvířek: | klasické |
| Prosklení: | rovné |
| Průměr kouřového hrdla: | 200 mm |
| Průměr přívodu vzduchu: | 125 mm |
| Rozsah výkonu (kW) - Max: | 8.0000 |
| Rozsah výkonu (kW) - Min: | 2.4000 |
| Tah komína: | 12±2 Pa |
| Třída energetické účinnosti: | A |
| Účinnost: | 80,1 % |
| Vícevrstvé prosklení: | dvojité (standard nebo příplatková možnost) |
| Značka: | DEFRO HOME |
| Zúžená hloubka topeniště: | Ano |
Diskuze
Buďte první, kdo napíše příspěvek k této položce.




