Série DEFRO HOME INTRA byla vytvořena s cílem harmonie mezi ekologií, designem a ekonomikou. Krbové vložky ze série DEFRO HOME INTRA budou ideální pro rekreační funkci a úspěšně zahřejí celý dům. Moderní design a vzduchotěsná ohniště vám umožní využívat jeho možností v pasivních domech a s rekuperací. Patentovaná řešení zaručují úsporu energie a bezproblémový provoz zařízení.
Detailní popis produktu
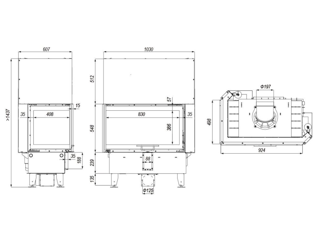
Kompletní specifikace
- je určena pro konvekční provoz
- Perfect UP – speciálně navržený systém hladkého a tichého výsuvu dveří pro pohodlnou obsluhu
- výsuvný systém dveří možno servisovat i z topeniště
- otočné dvousegmentové litinové hrdlo
- centrální přívod vzduchu - speciální box umožní připojení hadice přívodního vzduchu k vložce s možností napojení ze strany
- Multiflow - patentované řešení dodávání vzduchu pro spalování / dvojité spalování
- propracovaný systém oplachu skla
- Blackline - sklo s černým potiskem / dělené sklo
- topeniště z masivního akumulačního materiálu vyztužené speciálními ocelovými drátky
- studená rukojeť z nerezové oceli nejvyšší kvality, speciální perforace rukojeti umožňuje její přirozené ochlazování
- splňuje normy: BlmschV Stufe2 a předpoklady programu Ekodesign
- stavitelné nožky – rozsah nastavitelných nožiček od 0 do 100 mm
- systém trubkových průduchů – průduchy navyšují efektivitu krbové vložky
Technické informace
Jmenovitý výkon 13 kW
Rozsah výkonu 5,2 - 15,6 kW
Třída energetické efektivnosti A+
Průměr sopouchu 200 mm
účinnost 80 %
CO emise - 13% O2 0,06%
teplota spalin 261°C
komínový tah 12±2 Pa
Maximální délka polen 700 mm
Průměr přívodu vzduchu 125 mm
Minimální plocha vstupu vzduchu 650 cm²
Minimální plocha výstupu vzduchu 910 cm²
záruka 5 let
Hmotnost ~306 kg
Doplňkové parametry
| Kategorie: | Krbové vložky DEFRO |
|---|---|
| Záruka: | 5 let |
| Délka polena: | 680 mm |
| Hmotnost: | 306 kg |
| Jmenovitý výkon (kW): | 13 |
| Otevírání dvířek: | výsuvné |
| Prosklení: | rohové pravé |
| Průměr kouřového hrdla: | 200 mm |
| Průměr přívodu vzduchu: | 125 mm |
| Rozsah výkonu (kW) - Max: | 15.0000 |
| Rozsah výkonu (kW) - Min: | 6.0000 |
| Tah komína: | 12±2 Pa |
| Třída energetické účinnosti: | A+ |
| Účinnost: | 80 % |
| Značka: | DEFRO HOME |
Diskuze
Buďte první, kdo napíše příspěvek k této položce.




